520/7DD差壓壓力控制器
發布時間:2015-01-29 07:33:35 點擊:1447

產品詳細:
簡介:
520/7DD差壓控制器采用波紋管式的傳感器,可用于空氣、氣體、水蒸汽等中性氣體和水、制冷劑、油等液體介質。520/7DD差壓控制器的設定值可調,調節范圍0.02~1.6MPa,工作壓力范圍0.05~2.5MPa。
主要技術性能:
規格:切換差不可調
規格:切換差可調
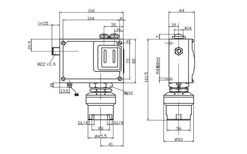
尺寸圖
01
02
下一篇:520/11DD差壓壓力控制器


簡介:
520/7DD差壓控制器采用波紋管式的傳感器,可用于空氣、氣體、水蒸汽等中性氣體和水、制冷劑、油等液體介質。520/7DD差壓控制器的設定值可調,調節范圍0.02~1.6MPa,工作壓力范圍0.05~2.5MPa。
主要技術性能:
規格:切換差不可調
規格:切換差可調
尺寸圖
01
02
下一篇:520/11DD差壓壓力控制器