502/7D防爆壓力控制器
發布時間:2013-05-11 05:58:57 點擊:1425

簡介:
502/7D防爆壓力開關采用波紋管式的傳感器,可用于空氣、氣體、水蒸汽等中性氣體和水、制冷劑、油等液體介質。502/7D防爆壓力開關的設定值可調,調節范圍-0.1~2.5MPa。
特點:
502/7D防爆壓力開關可用于真空。有特殊要求的,可另行設計調節范圍-0.1~6.3MPa。
主要技術性能:

規格:切換差不可調

規格:切換差可調

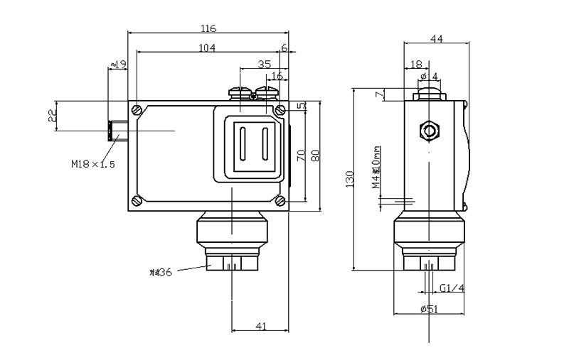
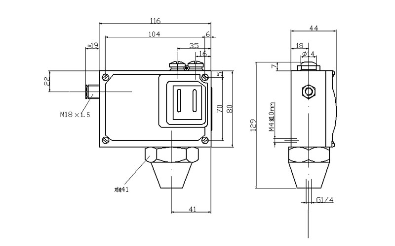
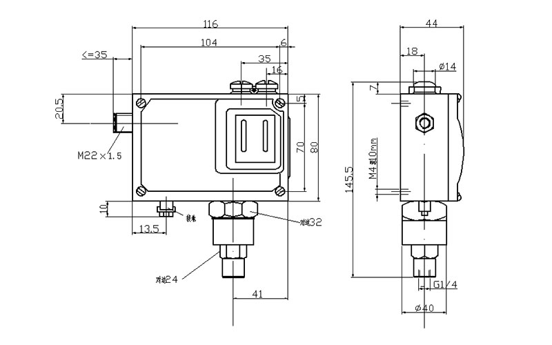
尺寸圖
01

02

03

04

05

06

502/7D防爆壓力開關采用波紋管式的傳感器,可用于空氣、氣體、水蒸汽等中性氣體和水、制冷劑、油等液體介質。502/7D防爆壓力開關的設定值可調,調節范圍-0.1~2.5MPa。
特點:
502/7D防爆壓力開關可用于真空。有特殊要求的,可另行設計調節范圍-0.1~6.3MPa。
主要技術性能:

規格:切換差不可調

規格:切換差可調

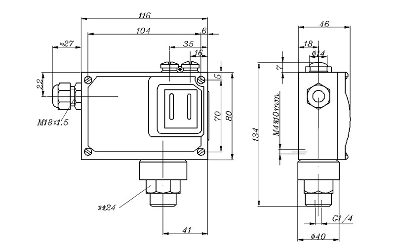
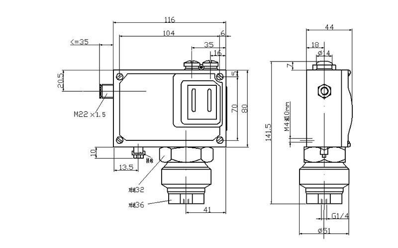
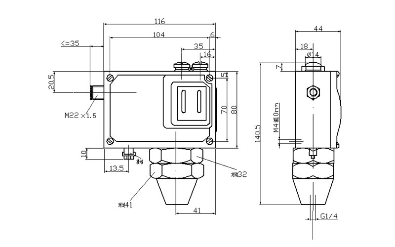
尺寸圖
01

02

03

04

05

06

下一篇:504/7D防爆壓力控制器
